| ●商品名 |
Face2(フェース・トゥー)
|
| ●材質 |
ポリエステル人工大理石 |
| ●色 |
Mホワイト (特注色可) |
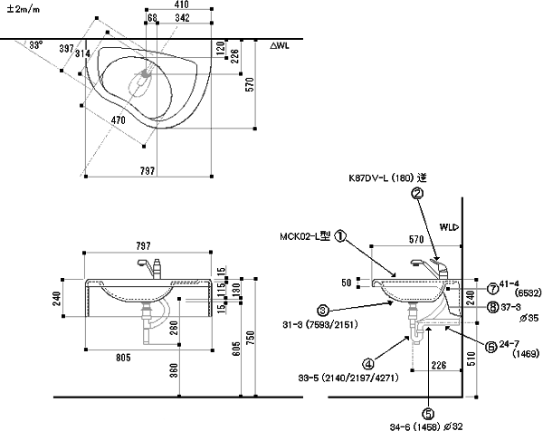
| ●寸法 |
幅800 ×奥行570 ミリ
※詳細寸法は、こちらを参照 |
| ●容量 |
5リットル |
| ●価格 |
|
<連絡先>高齢社会の住まいをつくる会
http://www.kourei-sumai.com/
<発注先>
洗面器本体;協栄カルシウム(株)営業部長 小山氏
06-6927-0020 Fax. 06-6927-5250

注;希望する左右の型を必ず伝えること。
排水金具;「Face2対応排水金具一式」(受注生産;納期1ヶ月)
(株)ジェイトップユーコー
Tel. 03-3552-2011 Fax. 03-3537-7582
推奨水栓金具;三栄水栓(株)K87DVL-L(180)逆止弁
Tel. 03-3683-7291 Fax. 03-3683-7308 |